股市如何做杠杆-个人自己炒股怎样开户有什么用-【东方资本】,地方配资网,新手炒股在哪家证券公司开户好,配资平台百家号怎么注册

 廣東匯泰龍科技股份有限公司

EN Visit English
聯系我們
首頁 產品中心全屋五金家居五金門鎖五金鎖體&鎖芯

HD-87-65豪華大門鎖鎖體

表面處理:光鉻

主要材料:SUS304不銹鋼

適用范圍:木質大門

主要功能:鎖定門扇

產品特點:

特性:開啟順滑、牢固、防撬

產品介紹

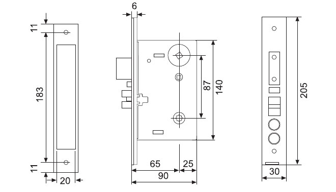
 HD-87-65豪華大門鎖鎖體

87鎖體結構

1、防插斜舌:具有安全的防插保證。

2、反鎖大方舌內兩根鎢鋼加固,防破壞性更強。

3、組合斜舌,協助輕松關門,減少震動,徹底避免因震動帶來對門鎖及門框的損壞。

4、運用三維空間運動原理設計鎖體,改革常規的平面運動二維傳統設計,令開啟鎖手感更好、靈活、更加耐用。

 

87豪華大門鎖鎖體適用范圍:

HD-8301不銹鋼豪華鎖 / HD-8303不銹鋼豪華鎖

HD-87-65豪華大門鎖鎖體 尺寸圖

安裝步驟

內容更新中...
×

在線留言 Online Message

聯系人:*
聯系電話:*
留言內容:*