股市如何做杠杆-个人自己炒股怎样开户有什么用-【东方资本】,地方配资网,新手炒股在哪家证券公司开户好,配资平台百家号怎么注册

 廣東匯泰龍科技股份有限公司

EN Visit English
聯系我們
首頁 產品中心全屋五金家居五金衛浴附件淋浴房配件

HF-2324-90° 玻璃連接夾

表面處理:光鉻

主要材質:銅

適合玻璃厚度:8-10mm

最大承重:38kg/2只

主要功能:組裝淋浴房

產品特點:

特點:多種角度能滿足整體淋浴房的組裝需求

警告:安裝淋浴房時請附上石棉墊

產品介紹

 匯泰龍HF-2324-90° 玻璃連接夾

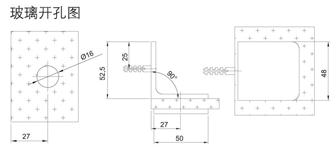
匯泰龍HF-2324-90° 玻璃連接夾開孔圖

匯泰龍淋浴房配件系列產品,選材優異,制作精良,全方位滿足簡易淋浴房的個性化定制服務,讓您使用更加安全、放心,讓您在沐浴中盡情揮灑自我個性!

安裝步驟

內容更新中...
×

在線留言 Online Message

聯系人:*
聯系電話:*
留言內容:*